EN CN
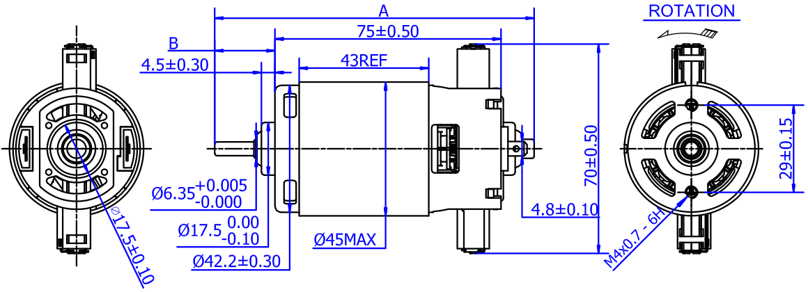
JBSA7724PM-2

JBSA7724PM-2

用途:

产品介绍:

产品详情